IFixPlanes Geschrieben 21. August 2019 Geschrieben 21. August 2019 vor 10 Stunden schrieb spornrad: Wieso dumm? Dann wurde ja damals relativ einfach per SB von zwei getrennten Motoren auf einen umgestellt. Im Folgeschluss kann dann ja wohl auch relativ einfach wieder retour umgerüstet werden. Ein unabhängiger, zweiter elektrischer Aktuator wäre doch eine relativ simple Lösung für das nicht (als Backup bei Runaway) zulassbare, bei high speed zu schwergängige manuelle mechanische Trimm- System. Gruss Albrecht Dumm in Bezug auf die Aussage der verlinkten "Fakten". Da wird irgendwo behauptet, dass dies erst mit der NG eingeführt wurde und die meisten hier nehmen das für bare Münze. Dabei bieten viele "Experten" im Netz nur gefährliches Halbwissen... 2 3 Zitieren
Falconer Geschrieben 22. August 2019 Geschrieben 22. August 2019 9 hours ago, IFixPlanes said: Dumm in Bezug auf die Aussage der verlinkten "Fakten". Da wird irgendwo behauptet, dass dies erst mit der NG eingeführt wurde und die meisten hier nehmen das für bare Münze. Dabei bieten viele "Experten" im Netz nur gefährliches Halbwissen... Naja, ich würde dem Lemme jetzt nicht "gefährliches Halbwissen" unterstellen ( der weiss aufgrund seines Berufsweges bei Boeing wahrscheinlich mehr über die ins & outs von Avionic- & Systemsdesign und Zulassungsmodalitäten als wir Beide die nächsten 500 Jahre..), nur weil es ein Mod, das Du jetzt hier ins Forum gestellt hast, und das find ich gut und interessant, schon auf der Classic gegeben hat, von zwei auf nur einen Trimmmotor umzubauen..und bei der NG, war es halt dann bereits offenbar "standard"..und es dürfte statistisch nicht auffällig gewesen sein.. Bei der 737 MAX kommt halt jetzt das ganze Trimmsystem wieder aufs Radar und unter die Lupe, eben wegen der spezifischen Problematik, die der Flieger gehabt hat.. Zitieren
spornrad Geschrieben 22. August 2019 Geschrieben 22. August 2019 (bearbeitet) 11 hours ago, IFixPlanes said: Dumm in Bezug auf die Aussage der verlinkten "Fakten". Da wird irgendwo behauptet, dass dies erst mit der NG eingeführt wurde und die meisten hier nehmen das für bare Münze. Dabei bieten viele "Experten" im Netz nur gefährliches Halbwissen... Das von Peter Lemme hier mit korrekter Quellenangabe zitierte Buch "D. P. Davies, Handling the Big Jets, third edition" ist 1971 erschienen, was man den Diagrammen ja auch ansieht. Ich seh dein Problem mit der SB von 1995 daher nicht so richtig ... Bevor die grosse Keule ausgepackt wird, kann man ruhig mal richtig hinschauen. Die Classic wurde dann eben fast zeitgleich mit dem Rollout der NG 1996 ebenfalls umgerüstet. Gruss Albrecht Bearbeitet 22. August 2019 von spornrad 1 Zitieren
Falconer Geschrieben 22. August 2019 Geschrieben 22. August 2019 5 minutes ago, spornrad said: "D. P. Davies, Handling the Big Jets, third edition" ist 1971 erschienen Nach wie vor, DAS Standardwerk für viele Fragen…. mir wär nicht bekannt, dass seit der Zeit zu den verschiedensten diesbezüglichen Themen was Besseres geschrieben wurde…. Zitieren
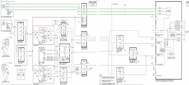
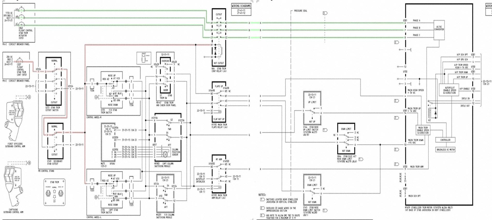
spornrad Geschrieben 22. August 2019 Geschrieben 22. August 2019 (bearbeitet) https://www.satcom.guru/2019/08/connecting-dots-from-command-to-action.html Hier ein Detailvergleich der Trimmsysteme der NG und der MAX von Peter Lemme mit kommentierten elektrischen Schematics. Und: " Putting together bits and pieces to make connections. Please understand I may have made mistakes. " Gruss Albrecht Bearbeitet 22. August 2019 von spornrad 1 Zitieren
cosy Geschrieben 22. August 2019 Geschrieben 22. August 2019 (bearbeitet) Boeing hat kommuniziert(NYT von Heute), dass sie die Produktionsrate ab Februar 2020 auf 52 Flugzeuge pro Monat hochschrauben werden, und ab Sommer dann nochmal auf 57. Übrigens, mit der aktuell reduzierten Rate von 42 läuft die Assembling-Strasse mit 5cm pro Minute vorwärts. Ich persönlich finde ihre Fertigungslösung eine typisch US-amerikanische Blockierung auf ein Prinzip , das sie stolz bis zum Excess treiben: Fordsche Fliessbänder. Genau dieser Vorgabetakt fördert dann low Quality-Misshapens wie Pausenbrötchen, runtergefallene Teile und Werkzeug, liegengelassener Abfall und Späne in den Spanten und Zellen. Wie bei den ersten 7 von B. abgelieferten neuen Tankern. Finde die Pilatus Philosophie intelligenter. On 8/20/2019 at 4:56 PM, spornrad said: Bearbeitet 22. August 2019 von cosy Zitieren
guy Geschrieben 22. August 2019 Geschrieben 22. August 2019 (bearbeitet) vor einer Stunde schrieb cosy: Boeing hat kommuniziert(NYT von Heute), dass sie die Produktionsrate ab Februar 2020 auf 52 Flugzeuge pro Monat hochschrauben werden, und ab Sommer dann nochmal auf 57. Na ja ! Aber nur wenn die FAA sie im Oktober wieder fliegen lässt . "Boeing told more than 100 suppliers during at least one Web meeting July 30 that the new schedule depended upon regulators approving the 737 MAX to fly again commercially in the fourth quarter" people expressed skepticism over the timing given the intense scrutiny from regulators.There is no guarantee when regulators will clear the 737 MAX to fly again " https://www.reuters.com/article/us-boeing-airplane-737-production-exclus/exclusive-boeing-grappling-with-uneven-737-supply-chain-targets-52-month-in-february-sources-idUSKCN1VC1YM und noch was : "FAA plans to test Boeing MAX software on less-experienced pilots The U.S. Federal Aviation Administration plans to test next month how pilots with around one year of experience flying Boeing 737 jets handle new software on the MAX model, four sources with knowledge of the matter said."https://www.reuters.com/article/us-ethiopia-airplane-faa-boeing/faa-plans-to-test-boeing-max-software-on-less-experienced-pilots-sources-idUSKCN1VC28R?il=0 Bearbeitet 22. August 2019 von guy Zitieren
reverser Geschrieben 22. August 2019 Geschrieben 22. August 2019 vor 1 Stunde schrieb cosy: Boeing hat kommuniziert(NYT von Heute), dass sie die Produktionsrate ab Februar 2020 auf 52 Flugzeuge pro Monat hochschrauben werden, und ab Sommer dann nochmal auf 57. Genau dieser Vorgabetakt fördert dann low Quality-Misshapens wie Pausenbrötchen, runtergefallene Teile und Werkzeug, liegengelassener Abfall und Späne in den Spanten und Zellen. Wie bei den ersten 7 von B. abgelieferten neuen Tankern. Airbus wird aufpassen müssen, dass ihnen das nicht ebenso passiert. Auch dort werden die "Vorgabetakte" ständig erhöht: Geschweige denn....Die ersten Boeing MAX Großabnehmer (Alleinkunde Southwest z.B.) drohen bereits mit dem Kauf des Konkurrenzproduktes, falls Boeing die Sache nicht bald in den Griff kriegt. Was das für die Airbus Auftragsbücher bedeuten würde, lässt sich ausmalen. Gruß Richard 1 Zitieren
IFixPlanes Geschrieben 22. August 2019 Geschrieben 22. August 2019 vor 11 Stunden schrieb spornrad: Bevor die grosse Keule ausgepackt wird, kann man ruhig mal richtig hinschauen. Ich habe nur eine Falschaussage klargestellt. Das habe ich sogar mit Herstellerunterlagen belegt, was Zeit kostet. Wenn das hier nicht gewünscht ist spare ich mir halt die Zeit und halte mich wieder zurück. Viel Sass noch beim Spekulieren... Zitieren
reverser Geschrieben 22. August 2019 Geschrieben 22. August 2019 vor 14 Minuten schrieb IFixPlanes: Ich habe nur eine Falschaussage klargestellt. Das habe ich sogar mit Herstellerunterlagen belegt, was Zeit kostet. Wenn das hier nicht gewünscht ist spare ich mir halt die Zeit und halte mich wieder zurück. Wie die sich hier allerseits rauskegeln... Noch so ein gern gelesener Teilnehmer, alias Flugzeugflicker "IFixPlanes", weg. Warum nur? Gruß Richard 1 Zitieren
tdm850 Geschrieben 23. August 2019 Geschrieben 23. August 2019 vor 9 Stunden schrieb cosy: Boeing hat kommuniziert(NYT von Heute), dass sie die Produktionsrate ab Februar 2020 auf 52 Flugzeuge pro Monat hochschrauben werden, und ab Sommer dann nochmal auf 57. Übrigens, mit der aktuell reduzierten Rate von 42 läuft die Assembling-Strasse mit 5cm pro Minute vorwärts. Ich persönlich finde ihre Fertigungslösung eine typisch US-amerikanische Blockierung auf ein Prinzip , das sie stolz bis zum Excess treiben: Fordsche Fliessbänder. Genau dieser Vorgabetakt fördert dann low Quality-Misshapens wie Pausenbrötchen, runtergefallene Teile und Werkzeug, liegengelassener Abfall und Späne in den Spanten und Zellen. Wie bei den ersten 7 von B. abgelieferten neuen Tankern. Finde die Pilatus Philosophie intelligenter. Was wird aus diesen Dingern, falls es dafür keine Zulassung mehr geben sollte? Zitieren
spornrad Geschrieben 23. August 2019 Geschrieben 23. August 2019 (bearbeitet) 8 hours ago, IFixPlanes said: Ich habe nur eine Falschaussage klargestellt. Hast du nicht. Das war keine "Falschaussage": The 707/727/737 original design used an electric actuator for manual electric control and another electric actuator for autopilot trim control. Starting with the 737NG, a single actuator with separate control interfaces for manual electric and for autopilot was used. Du hast doch nur belegt, dass gleichzeitig mit dem Erscheinen der NG 1996 die Classic per SB 1995 optional auch auf das NG single actuator Trimmsystem umgebaut werden konnte. Das ändert nichts an der Richtigkeit der Aussage Starting with the 737NG, a single actuator ...was used. Oder überseh ich da was? Übrigens ist diese Entwicklungsgeschichte wichtig. Nur so kann man verstehen, warum zB die Max immer noch zwei getrennte Cut-out switches hat, die genau dasselbe tun und deshalb gar keinen Sinn machen. Du bringst immer sehr gut belegte Details und Originalunterlagen. Danke dafür, das ist sehr lehrreich. Aber trotzdem muss ich nicht immer mit dir einer Meinung sein ... Gruss Albrecht Bearbeitet 23. August 2019 von spornrad Zitieren
Gast Geschrieben 23. August 2019 Geschrieben 23. August 2019 vor 44 Minuten schrieb spornrad: ...... zwei getrennte Cut-out switches hat, die genau dasselbe tun und deshalb gar keinen Sinn machen. wie kommst Du den da drauf? (u.a. aus AVSoft B737NG Quick Study Guide) STABB TRIM CUTOUT SWITCH: Deactivates the stabilizer trim switch operation. Electonic trim inputs are removed from the single stabilizer trim motor. A/P STAB TRIM CUTOUT SWITCH: Deactivates the autopilot stabilizer trim switch operation and disengages the autopilot if it is engaged. Autopilot trim inputs are disconnected from the single stabilizer trim motion. Der Single trim motor bleibt bei beiden Ereignissen noch unter Strom! Es ist ja schon ein Unterschied ob TRIM CUTOUT gebraucht wird weil der A/P fehlerhaft trimmt oder z.B. ein Schalter am Steuerhorn fehlerhaft funktioniert. Bei A/P trim failure hat man kein A/P mehr, kann aber noch am Steuerhorn trimmen und umgekehrt. Ist das nicht sinnvoll? Bernhard (LSZH) Zitieren
Frank Holly Lake Geschrieben 23. August 2019 Geschrieben 23. August 2019 (bearbeitet) OT an vor 9 Stunden schrieb IFixPlanes: IDas habe ich sogar mit Herstellerunterlagen belegt, was Zeit kostet. Wenn das hier nicht gewünscht ist spare ich mir halt die Zeit und halte mich wieder zurück. Viel Spass noch beim Spekulieren... Das ist hier etwas in Forum , was ich auch nicht verstehe. Recherchen und Fachwissen werden angezeifelt und nicht gewürdigt., sondern eher kritisiert. Gut ausgearbeitet Berichte werden einfach ignoriert oder sogar kritisiert, auf keinen Falle gewürdigt Am meisten hasse ich es , wenn dann kommt, hast Du eine Quelle zu der Behauptung? Hier haben sich Gruppen gebildet, die sich gegenseitig unterstützen und eher alles bekämpfen, was nicht von ihnen kommt. Schade. Also postet man besser das , was woanders veröffentlicht wurde, nur benötigt man das ILS dazu? OT aus Grüße Frank Bearbeitet 23. August 2019 von Frank Holly Lake Zitieren
Frank Holly Lake Geschrieben 23. August 2019 Geschrieben 23. August 2019 (bearbeitet) Hinkt die FAA technischen Neuerungen hinterher? Auszüge: Insiderinformationen zufolge hat die zuständige US-Behörde FAA den Prozess zwar ordentlich abgearbeitet, ist bei dem neuen Fluglagekorrektor MCAS aber ausgestiegen Eine internationalen Expertengruppe JATR, die derzeit den Zertifizierungsprozess der 737 MAX rekonstruiert. Die Gruppe besteht aus Mitarbeitern der australischen, brasilianischen, kanadischen, chinesischen, europäsichen, japanischen, indonesischen Flugsicherheitsbehörden. Auch Singapur und die Vereinigten Arabischen Emirate sind darin vertreten. Viele der FAA-Zertifizierungsstandards stammen aus einer Zeit, in der mechanische Prüfelemente die Hauptrolle spielten. Gerade bei neuen Flugzeugen kommt jedoch verstärkt Software zum Einsatz, die eine erhebliche Rolle bei der Steuerung des Flugzeugs spielen kann, etwa wie das MCAS bei der 737 MAX. Ein Update der Prüfungsstandards um dieser zunehmenden Komplexität und dem Abschätzen der Folgen eines Systemausfalls muss her. Aufgrung mangelnder Informationen delegierte die FAA an Boeing. Die FAA hält die teilweise Delegation der Zertifizierung an die Unternehmen demnach für unabdingbar und führt als Gründe dafür die Menge an Arbeit und eine zunehmend zu komplexe Technologie an. Kritiker gefällt die Macht nicht, die den Unternehmen dadurch bei der Zertifizierung ihrer eigenen Produkte zukommt und wünschen sich eine intensivere staatliche Aufsicht. Jetzt zur Kernaussage:Die Ergebnisse der internationalen Untersuchung werden für Ende August bis Anfang September erwartet. Ob sie öffentlich gemacht werden, ist noch unklar. "Wir freuen uns auf die Ergebnisse", teilt die Boeing-Kommunikationsabteilung mit. Eine Rüge der FAA durch die Experten ist nicht zu erwarten. Die internationale Zulassung der 737 MAX war eher eine Formsache, nachdem die FAA ihr OK gegeben hatte. Die Wirkung und Funktion eines MCAS nahm niemand mehr gesondert unter die Lupe weil es zu Boeing deligiert wurde. Quellehttps://www.aero.de/news-32348/Hinkt-die-FAA-technischen-Neuerungen-hinterher.html Grüße Frank Bearbeitet 23. August 2019 von Frank Holly Lake Zitieren
spornrad Geschrieben 23. August 2019 Geschrieben 23. August 2019 11 hours ago, quinto55 said: Ist das nicht sinnvoll? Das ist total sinnvoll. Bei der NG, wie du schreibst, nimmt der eine Schalter nur den Autopiloten vom Trimm, belässt aber den elektrischen (manuellen, per yoke-switch) Trimm. Der zweite Schalter macht den Trimmotor stromlos. Bei der Max aber legen jetzt beide Schalter den gesamten elektrischen Trimm lahm, incl. Autopilot und manuell elektrisch. Und das macht eben keinen Sinn, verwirrt höchstens die Crew, und macht es unmöglich, MCAS zu isolieren und den manuellen elektrischen Trimm zu behalten. Gruss Albrecht 2 1 1 Zitieren
Gast Geschrieben 23. August 2019 Geschrieben 23. August 2019 vor 4 Stunden schrieb spornrad: Bei der Max aber legen jetzt beide Schalter den gesamten elektrischen Trimm lahm, incl. Autopilot und manuell elektrisch. Und das macht eben keinen Sinn, verwirrt höchstens die Crew, und macht es unmöglich, MCAS zu isolieren und den manuellen elektrischen Trimm zu behalten. Das könnte man bei Chris Brady so verstehen. Ich denke jedoch man sollte sehr genau bei der Übersetzung sein. Es geht es um die Main electric inputs/AP inputs. Von der Stromversorgung des Single stabilizer trim motors ist hier nicht die Rede. Ich denke daher die Stromversorgung wird auch bei der MAX nur unterbrochen sein, wenn beide CUT OUT SWITCHES (umbenannt in PRI & B/U) gezogen sind. Ich denke die Stromversorgung des Single stabilizer trim motors bei der MAX arbeitet wie bei der NG (also beide Switches müssen gezogen sein um den Single stab trim motor stromlos zu machen). Es heisst ja cut-off (die besten Übersetzungen sind "Trennen" oder "Abschalten", nicht "Ausschalten", das wäre "turn off") und ausserdem die QRH-Procedures bei der MAX sind die gleichen wie bei der NG. ich habe leider keine Unterlagen der MAX um das zu klären und warum die Umbenennung erfolgte. Hier der Text aus Chris Brady. http://www.b737.org.uk MAX Differences Note that on the MAX, the MAIN ELEC and AUTO PILOT Stab trim switches now either switch will cut-off both main electric and autopilot stab trim. They are renamed PRI and B/U (primary and backup). The switches are guarded in the NORMAL position (switch up) and CUTOFF is switch down. The QRH procedure is the same for all 737s. Bernhard (LSZH) Zitieren
spornrad Geschrieben 24. August 2019 Geschrieben 24. August 2019 (bearbeitet) 9 hours ago, quinto55 said: now either switch will cut-off both main electric and autopilot stab trim Das ist eindeutig: ...jetzt schaltet jeder der beiden Schalter sowohl den Hauptbus des elektrischen Stab Trimm als auch den Autopilot Stab Trimm ab. In dem Blog von Peter Lemme, den ich weiter oben verlinkt habe, findet man die Stromlaufdiagramme der NG und der Max gegenübergestellt. Sie bestätigen diese geänderte Schaltlogik bei der MAX gegenüber der NG: the new cutout configuration removed any option to isolate autopilot commands from electric commands; any malfunction relies on reversion to manual wheel trim Der Wegfall der Möglichkeit, den wildgewordenen Autopilot Trimm abzuschalten, aber den Yoke-Switch Trimm zu erhalten, war IMHO ein wesentlicher Faktor in der Ursachenkette für diesen Crash. In einer NG hätten sie einfach den spinnerten FCC vom Trimm wegschalten und dann mit funktionierendem manuellem elektrischem Trimm weiterfliegen und die Vertrimmung elektrisch korrigieren können. In der MAX ging das nicht mehr. Da waren sie einzig auf den bei hoher Geschwindigkeit blockierenden mechanischen Trimm angewiesen. Beim verzweifelten Versuch, den elektrischen Trimm doch wieder zu benutzen, hat sie dann letztendlich der FCC, den sie bei der MAX wieder zuschalten mussten, um elektrische Trimmung zu kriegen, gekillt. Gruss Albrecht Anhang: Hier die geänderte HW der MAX im Detail. Da die beiden Cutout Schalter jetzt in Serie liegen, schaltet jeder der beiden die Stromversorgung des Trimmotors tot. Ein Schalter: Tot. Beide Schalter: Tot+Tot. Das hab ich weiter oben mit sinnlos gemeint 28 VDC STAB TRIM CONT is routed through both PRIMARY and B/U cutout switches, in series. The additional contacts in the cutout are used for FCC trim control. Bearbeitet 24. August 2019 von spornrad Zitieren
Gast Geschrieben 24. August 2019 Geschrieben 24. August 2019 vor 18 Minuten schrieb spornrad: ...jetzt schaltet jeder der beiden Schalter sowohl den Hauptbus des elektrischen Stab Trimm als auch den Autopilot Stab Trimm ab. Was meinst Du mit Hauptbus? Wird der der Single Stabilizer Trim Motor stromlos gemacht oder nicht? Das ist die entscheidende Frage und ich folge keinen Gurus, ich will Fakten. Bei allem Respekt, wenn es Widerspruch in diesem Zusammenhang gegen Lemme gibt, warte ich erst mal ab, was in den Diskussionen dann kommt. Meinem Verständnis und nach meinen Unterlagen nach geht's ums ein- und ausschalten von Steuerimpulsen und nicht um die elektrische Stromversorgung des Single stabilizer trim motors. Das macht doch auch keinen Sinn diesen gleich komplett abzuschalten. So lange es geht will man den Motor doch nutzen können und nur fehlerhafte Steuerimpulse eliminieren. Wir sind uns einig, wenn bei der NG CUTOUT MAIN ELEC und AP gezogen sind, ist der Trimmotor stromlos, wenn bei der MAX PRI & B/U beide gezogen sind auch. Wenn PRI (primary) alleine gezogen ist, was passiert dann? Warum braucht es ein B/U (backup)? Kann Lemme wirklich beweisen, B/U wäre ein Dummy-Schalter? Warum bei der MAX beide Steuerimpulsmöglichkeiten gleichzeitig ausgeschaltet werden, weiss ich nicht. Hängt vielleicht mit modernen AP und CDU Logik zusammen,bliebe auch noch zu klären. Ich gebe auch noch zu bedenken das es in der 737MAX weiterhin den STAB TRIM SWITCH auf dem Pedestal unten rechts gibt. Spricht auch dafür das die elektrische Stromversorgung des Trim motors nicht geändet wurde, d. h. die grundlegende Logik blieb gleich. Bernhard (LSZH) Zitieren
guy Geschrieben 24. August 2019 Geschrieben 24. August 2019 Da bewegt sich was ! Die Testmaschine N7201S (737 Max 7) hat wieder 3 (reale) Testflüge gemacht . -am 15 August 2h17m -am 19 August 1h14m -am 23 August 2h05m https://flightaware.com/live/flight/N7201S https://www.flightradar24.com/data/aircraft/n7201s/#21d0311a Zitieren
spornrad Geschrieben 24. August 2019 Geschrieben 24. August 2019 (bearbeitet) 1 hour ago, quinto55 said: Was meinst Du mit Hauptbus? Wird der der Single Stabilizer Trim Motor stromlos gemacht oder nicht? Wird er. Die 115V 3Phasen Wechselstromversorgung des Motors (grün) läuft durch ein Relais (R64 Stab Trim Cont Relais). Hauptbus ist 28 VDC STAB TRIM CONT (rot) und steuert dieses Relais. Beide Cutout Schalter in Reihe trennen 28 VDC STAB TRIM CONT und machen den Motor stromlos. Da gibt es nichts zu deuteln, und auch keinen Widerspruch. Die Original-Boeing Schaltpläne der MAX zeigen das glasklar. Gruss Albrecht The stabilizer trim actuator is powered by 115V, 3-phase power. The power is routed through R64 STAB TRIM CONT RELAY. Only when the relay is "not cutout" does the power pass through the relay. . Bearbeitet 24. August 2019 von spornrad Zitieren
Gast Geschrieben 24. August 2019 Geschrieben 24. August 2019 vor einer Stunde schrieb spornrad: Wird er. Die 115V 3Phasen Wechselstromversorgung des Motors (grün) läuft durch ein Relais (R64 Stab Trim Cont Relais). Hauptbus ist 28 VDC STAB TRIM CONT (rot) und steuert dieses Relais. Beide Cutout Schalter in Reihe trennen 28 VDC STAB TRIM CONT und machen den Motor stromlos. Da gibt es nichts zu deuteln, und auch keinen Widerspruch. Die Original-Boeing Schaltpläne der MAX zeigen das glasklar. Lemme beschreibt es auch so PRIMARY cutout switch is thrown. This takes 28 VDC away from R64 STAB TRIM CONT RELAY, in turn taking power away from the actuator. There is also no power for the R1193 MAIN TRIM ARM RELAY, nor to send both the ARM and the ANU command signals. The B/U cutout switch performs exactly the same function as the PRIMARY cutout switch: Power is removed from the actuator, the ARM and ANU command signals are not powered. und unterlegt es mit graphisch kommentierten Schaltplänen. Das bedeutet aber, B/U soll ein Dummy-Swich sein. Das will ich dann doch noch von anderer Seite verifiziert haben. Ich bin kein Elektroniker, schon gar kein zertifizierter Boeing 737 Elektroniker der dies aus den gezeigten Schaltpänen rauslesen kann. Von der Funktionalität wie bisher von der NG bekannt wäre das in der Tat nonsens. Ich bitte Ingo (Ifixplanes), auch wenn's mühsam ist, sich nochmal zu dem Punkt zu äussern. ich werde meine anderen professionellen Quellen auch kontaktieren, das dauert aber leider ein wenig. Bernhard (LSZH) Zitieren
spornrad Geschrieben 24. August 2019 Geschrieben 24. August 2019 Hallo Bernhard, verifizier das bitte gerne. Ich bin in meinem Medizingeräte-Beruf u.a. auch als Elektroniker unterwegs. Jeder Profi, dem du das Schema zeigst, wird dir das identische Schaltverhalten der beiden Cutouts in Serie bestätigen. Man sollte nicht vergessen, dass das Dogma bei der Max Entwicklung hiess: Keine Umschulung notwendig! Das ist meines Erachtens der einzige Grund, warum beide Schalter belassen wurden, obwohl das -in Verbindung mit der kargen Informationspolitik des Herstellers- von der NG kommende Crews richtig verwirren konnte. Gruss Albrecht Zitieren
Falconer Geschrieben 25. August 2019 Geschrieben 25. August 2019 Hier beschreibt Dominic Gates den letzten Stand, was den Zeitplan einer möglichen Wiederinbetriebnahme der Flugzeuge betrifft…zumindest aus der Perspektive von Boeing... https://www.seattletimes.com/business/boeing-aerospace/boeing-and-faa-give-more-signs-of-preparations-for-a-737-max-return-to-flight/ Zitieren
cosy Geschrieben 25. August 2019 Geschrieben 25. August 2019 (bearbeitet) On 8/23/2019 at 8:36 AM, Frank Holly Lake said: Gerade bei neuen Flugzeugen kommt jedoch verstärkt Software zum Einsatz, genau das ist der Punkt. Manche Experts, auch hier im Forum Welche, haben seltsame Vorstellungen von computerbasierter Automation. Funktionen , wie AP, TCAS und eben auch dieses MCAS sind schliesslich in Code gegossene Algorythmen und Regeln. Die Reale Aktion wird halt vom Relais und Selector/Switch in eine Blackbox verlagert. Konsequenterweise müsste die SW genauso gründlich verifiziert werden für die Zertifizierung wie die Verdrahtung / Stromlaufplãne. Wird sie aber nicht. Warum? Weil die entsprechrnden Tests dafür viiiieeel zu Aufwãndig wären. Und weil viele involvierte "Hornochsen" vom Prinzip finit state machine und entsprechender SW-Designmethodik leider keinen blassen Schimmer haben. Die FAA weiss nicht einmal, wieviele Fehler im Code des 737 MAX8 steckt.. Bearbeitet 25. August 2019 von cosy 1 Zitieren
Empfohlene Beiträge
Dein Kommentar
Du kannst jetzt schreiben und Dich später registrieren. Wenn Du ein Konto hast, melde Dich jetzt an, um unter Deinem Benutzernamen zu schreiben.